Serie S2
Standardsicherheitsrelais 1 Sicherheitsfunktion

Auswertung von:

  • Potentialfreien Kontakten
  •  OSSD Signalen

Funktionen:

  • Manueller oder automatischer Reset
  • EDM (External Device Monitoring)

Sicherheitskontakte:

  • 3 x Schließer DC13, 4A

Meldekontakte:

  • 1 x Öffner 24 VDC / 1 A
  • Einstellung über Drehrad


Betreff: Serie S2 Standardsicherheitsrelais 1 Sicherheitsfunktion


Allgemeine Daten

Typenbezeichnung
Serie S2
Störfestigkeit
gemäß EMV-Richtlinie
Artikelnummer
1019455
Artikelnummer (alt)
SP-K-70-001-00
Befestigung
Normschiene nach EN 60715
Anschlussbezeichnung
EN 60947-1
PFHD Relaisausgang
≤ 1,25 x 10⁻⁸ / h
PFDavg Relaisausgang
≤ 5,3 x 10⁻⁵
DC
hoch
Gebrauchsdauer TM (EN ISO 13849-1)
20 Jahre

Sicherheitstechnische Daten

Kategorie (EN ISO 13849-1:2015)
Kat. 4
SIL (gem. IEC 62061)
geeignet für Anwendungen in SIL 3
CCF (ISO 13849-1)
> 65 Punkte

Umgebungsbedingungen

Umgebungstemperatur
–25 … +60 (nicht betauend) °C
Schockfestigkeit
30 g/11 ms
Lagertemperatur max
–40 … +85 (nicht betauend) °C
Schwingungsfestigkeit nach EN 60068-2-6
10 ... 55 Hz, Amplitude 0,35 mm
Höhenlage
max. 2.000 m
Verschmutzungsgrad
2

Elektrische Daten

Bemessungsbetriebsspannung Ue
24 VDC / 24 VAC –20%/+20% V
Frequenzbereich
50 Hz/60 Hz
Netzteil
SELV-Netzteil gemäß DIN EN 60950; Sicherheitstransformator gemäß DIN EN 61558-2-6 (AC); Die Netzversorgung muss so auf die Geräteabsicherung (Charakteristik/Schmelzintegral) abgestimmt werden, dass eine Auslösung gewährleistet ist.
Leistungsaufnahme
2,4 W, 7 VA
Absicherung der Betriebsspannung
Wir empfehlen einen Sicherungsautomat Typ Z (max. 16 A) oder eine Feinsicherung (max. 15 A, träge)
UL-Bewertung der externen Sicherung
max. 16 A, only use fuses in accordance with UL 248 series
Isolationskennwerte nach IEC 60664-1
Bemessungsisolationsspannung Ui
- Sicherheitskontakte
250 V
Sicherheitsausgänge
50 V
Bemessungstoßspannungsfestigkeit Uimp
- Sicherheitskontakte 13-14, 23-24
6 kV
- Sicherheitskontakt 33-34
4 kV
-Sicherheitsausgänge
0,8 kV
Überspannungskategorie
III
Anzugsverzögerung
< 150 ms
Abfallverzögerung Not-Halt
< 10 ms
Abfallverzögerung Netzausfall
< 10 ms
Überbrückung bei Spannungseinbrüchen
typ. 5 ms
Bereitschaft nach Spannung einschalten [s]
< 1,5 s
Anschlussklemmen
Steckbare Schraubklemmen
Eindrähtig (starr) oder feindrähtig (flexibel)
0,2 … 2,5 mm²
Feindrähtig mit Aderendhülse
0,25 … 2,5 mm²
Anzugsdrehmoment für Anschlussklemmen
0,5 Nm
Steuerstromkreise/Eingänge
Eingänge S12, S22
24 VDC/8 mA
Eingänge X2, X3, X7
24 VDC/8 mA
Taktausgänge S11, S21
> 20 VDC, 10 mA je Ausgang
Leitungslängen
1500 m mit 1,5 mm²; 2500 m mit 2,5 mm²
Leitungswiderstand
max. 40 Ω
Relais-Ausgänge
Schaltvermögen der Sicherheitskontakte
Kontakte 13-14, 23-24, 33-34: max. 250 V, 6 A ohmsch, min. 10 VDC / 10 mA (Derating siehe 2.5)
Absicherung der Sicherheitskontakte
extern (Ik = 1000 A) nach EN 60947-5-1 Schmelzsicherung 10 A flink, 6 A träge
Gebrauchskategorie nach EN 60947-5-1
AC-15: 230 V / 4 A DC-13: 24 V / 4 A
Schaltvermögen der Hilfskontakte
41-42: 24 VDC / 1 A
Absicherung des Hilfskontakte
Schmelzsicherung 2,5 A flink, 2 A träge
Elektrische Lebensdauer (Nennlast)
siehe 2.5 Jahre
Mechanische Lebensdauer
10 Millionen Schaltzyklen
Kennwerte Sicherheitskontakte
Widerstand max. 100 mΩ, AgNi, selbstreinigend, zwangsgeführt
Max. Schaltzyklen/Minute:
20
Induktive Verbraucher
Es ist eine geeignete Schutzbeschaltung zur Entstörung vorzusehen

Mechanische Daten

Material Gehäuse
glasfaserverstärkter Thermoplast, belüftet
Abmessungen
Höhe
98 mm
Breite
22,5 mm
Länge
115 mm

LED-Diagnose

Diagnosefunktion
Diagnosefunktion

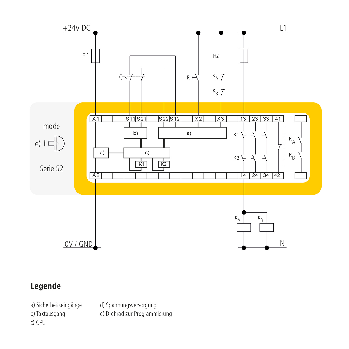
Elektrische Zeichnungen

Anschlussbeispiel 1
Anschlussbeispiel 1